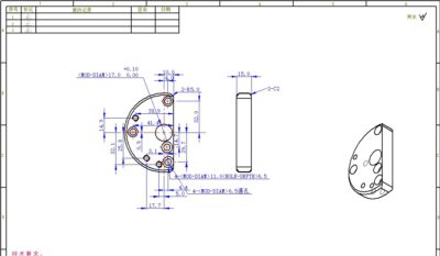
This is industrial 3D model Automatic vertical round bottle labeling machine, Fully automatic vertical round bottle labeling machine, including parameters and technical drawings, is very informative.
It is suitable for labeling round bottles in pharmaceutical, food, daily chemical industry and so on. It can apply full circumference labeling and semicircular circumference labeling. The optional automatic turntable bottle manager can be directly connected to the end-to-end production line to automatically load bottles into the labeling machine for increased efficiency. Optional configuration of the ribbon labeling and coding machine can print the production date and batch number online, reducing the bottle packing process and improving production efficiency.
Æ Wide range of applications, can meet the circumferential or semicircular labeling of round bottles, label switching between bottles is simple, easy to adjust.
Æ High label matching, label belt reel adopts correction mechanism, label belt is not deflected, label section can be adjusted in three directions x/y/z and inclination for a total of eight degrees of freedom, No dead angle adjustment, high overlap.
Æ Excellent labeling quality, using elastic compression labeling straps, flat labeling, no wrinkles, improve packaging quality.
Flexible application, bottle stand labeling, automatic bottle separation function, can be produced by single machine or connected to production line.
Æ Intelligent control, automatic photoelectric tracking, with the functions of auto-correction of no-labelling, no-labelling and auto-correction of labels to avoid leakage and waste of labels.
Æ high stability, Panasonic PLC + Panasonic touch screen + Panasonic needle-shaped electric eye + Lloyds German inspection label electric eye including advanced electronic control system, equipment to support operation 7 ¡A 24 hour.
¡‡Simple adjustment, labeling























